Перейти к содержимому

    •  
    Фотография

    Особенности электросхемы Исудзу Трупер 1991 4ZE1


    • Авторизуйтесь для ответа в теме
    Сообщений в теме: 52

    #41 Victen

    Отправлено 15 марта 2017 - 13:15

    Victen
    • Members
    • 105 сообщений
    • Жезказган

    • Isuzu Trooper (JACUBS17CK7)

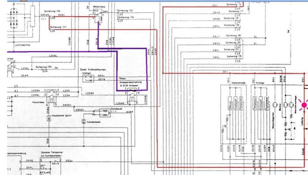
    В общем решил я привести свою электросхему к такому виду, как здесь:

    http://forum4x4club....opic=144874&hl=

     

    Для этого сделаю в ней  следующие изменения - цепь, изображённую красным перенесу в положение, показанное пунктирной синей линией.

    Что это даст?  1) теперь контрольная лампа зарядки при включении зажигания будет гореть полным накалом.  2) бензонасос не будет включаться.

    Для того, чтобы всё же постоянно контролировать работу бензонасоса, выведу контрольную лампочку от контакта реле бензонасоса. Кроме того, для удобства включения бензонасоса для проверки, в моторном отсеке установлю тумблер на включение этого реле.

    4ZE1_Sp_1  Схема 1.jpg



    #42 Victen

    Отправлено 16 марта 2017 - 05:50

    Victen
    • Members
    • 105 сообщений
    • Жезказган

    • Isuzu Trooper (JACUBS17CK7)

    Получившаяся в итоге схема, оказывается, тоже имеет место быть!

    Чтобы было понятней, размещу рядом обе существующие схемы включения лампы зарядки:

     

      Цепь включения лампы зарядки по  Схеме 1.jpg    Цепь включения лампы зарядки по  Схеме 2.jpg

    По первой схеме, при включении зажигания сразу начинает качать бензонасос. По второй схеме он включается только одновременно со стартером.

    Мне, чтобы перейти ко второй схеме, придётся переставлять клеммы блока реле и предохранителей.



    #43 Victen

    Отправлено 23 марта 2017 - 06:25

    Victen
    • Members
    • 105 сообщений
    • Жезказган

    • Isuzu Trooper (JACUBS17CK7)

    У кого есть возможность, прошу измерить сопротивление катушки реле Двигателя (синее реле) и сообщить его величину. Будет неплохо, если сможете измерить минимальный ток, при котором срабатывает это реле. Ну и совсем отлично - если выясните ток отпускания.

    Синее реле .jpg



    #44 elfozo

    Отправлено 24 марта 2017 - 06:09

    elfozo
    • Members
    • 107 сообщений
    • Сургут

    • Trooper'91, 4ZE1

    Где оно располагается? Правое крыло под металлической защиткой?



    #45 Driverrr

    Отправлено 24 марта 2017 - 06:17

    Driverrr
    • Members
    • 1 819 сообщений
    • Благовещенск

    • Isuzu Bighorn Irmscher UBS55FK 4JB1-T МКПП 31x10,5R15 Webasto TTE

    У кого есть возможность, прошу измерить сопротивление катушки реле Двигателя (синее реле) и сообщить его величину. Будет неплохо, если сможете измерить минимальный ток, при котором срабатывает это реле. Ну и совсем отлично - если выясните ток отпускания.

    attachicon.gifСинее реле .jpg

    Цитирую себя отсюда: http://forums.drom.r...#post1173029021

    Сам задал вопрос:

    Кстати кто-нибудь копал чем отличается синее реле от соседних чёрных? Распиновка такая же, функционал тот же. Просто у меня вместо синего реле стоит чёрное (до меня ещё кто-то поставил), вот задумался почему есть синее реле, а есть чёрное.

     

    Сам на него ответил:

    Добыл синее реле, померил, сравнил. У синего сопротивление обмотки 100 Ом, у чёрного 80 Ом. Видимо просто напряжение срабатывания разное, вот и вся разница. Греются кстати одинаково, разницы не ощутил. Так что спокойно можно ставить любое и не заморачиваться.



    #46 Victen

    Отправлено 24 марта 2017 - 06:25

    Victen
    • Members
    • 105 сообщений
    • Жезказган

    • Isuzu Trooper (JACUBS17CK7)

    Это реле установлено в блоке реле и предохранителей:

    Блок реле Исузу Трупер.jpg


    Значит номинальный рабочий ток у него на 20% ниже, чем у чёрного реле.

    Теперь бы ещё измерить минимальные токи срабатывания/отпускания, или напряжения при которых оно срабатывает и отпускает.

    Дело в том, что разные генераторы со своей клеммы "L"  по-разному шунтируют рабочую обмотку  реле Двигателя, поэтому оно в одних случаях может срабатывать при включении зажигания, в других случаях - нет. Для этого и не мешало бы выяснить точные данные синего реле. Недаром же оно ставится.



    #47 Driverrr

    Отправлено 24 марта 2017 - 08:09

    Driverrr
    • Members
    • 1 819 сообщений
    • Благовещенск

    • Isuzu Bighorn Irmscher UBS55FK 4JB1-T МКПП 31x10,5R15 Webasto TTE

    Разница, которую удалось вычислить такова: вышел из строя реле-регулятор генератора, день ездил на аккумуляторе. С синим реле сигнальные лампы на панели загорались, а если вставить чёрное реле - не загорались.



    #48 elfozo

    Отправлено 24 марта 2017 - 13:57

    elfozo
    • Members
    • 107 сообщений
    • Сургут

    • Trooper'91, 4ZE1

    У меня там тоже черное реле стоит. Когда сдох генератор, действительно, лампа на панели не горела.



    #49 Victen

    Отправлено 24 марта 2017 - 14:37

    Victen
    • Members
    • 105 сообщений
    • Жезказган

    • Isuzu Trooper (JACUBS17CK7)

    Интересно получается - у меня тоже стоит чёрное реле, но при отсутствии зарядки лампа исправно загорается. Возможно, у вас генератор выходил из строя не полностью, а, так сказать, частично. Выдавал некоторое напряжение, достаточное для срабатывания реле. Печки при этом включались нормально?

    Или же электросхемы у нас с вами - разные



    #50 elfozo

    Отправлено 24 марта 2017 - 15:45

    elfozo
    • Members
    • 107 сообщений
    • Сургут

    • Trooper'91, 4ZE1

    Нет. Полностью. Проехал несколько км и встал с посаженным аккумом.



    #51 Victen

    Отправлено 24 марта 2017 - 17:21

    Victen
    • Members
    • 105 сообщений
    • Жезказган

    • Isuzu Trooper (JACUBS17CK7)

    Если генератор будет выдавать даже 5 вольт, вместо положенных 12, этого будет достаточно, чтобы реле двигателя продолжало удерживаться во включённом состоянии, лампочка зарядки гореть не будет, а аккумулятор разрядится практически полностью.



    #52 Victen

    Отправлено 27 марта 2017 - 09:43

    Victen
    • Members
    • 105 сообщений
    • Жезказган

    • Isuzu Trooper (JACUBS17CK7)

    Разница, которую удалось вычислить такова: вышел из строя реле-регулятор генератора, день ездил на аккумуляторе. С синим реле сигнальные лампы на панели загорались, а если вставить чёрное реле - не загорались.

    Ну, возможно, в том числе и по этой причине, синее реле и устанавливается штатно.



    #53 Victen

    Отправлено 10 апреля 2017 - 12:06

    Victen
    • Members
    • 105 сообщений
    • Жезказган

    • Isuzu Trooper (JACUBS17CK7)

    Заметил ещё одну особенность электросхемы.

    Вот схема печки, которая по используемым приборам точно соответствует моей машине.

     

    Печка.JPG

     

    Понять по этой схеме, как работает печка совершенно невозможно. Придётся, видимо, прозванивать проводку и выяснять, как на самом деле всё подключено.

    Хотя, может быть, кто-то уже разбирался с этим вопросом?